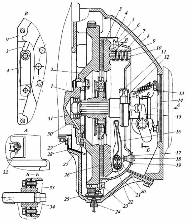
Устройство однодискового сцепления