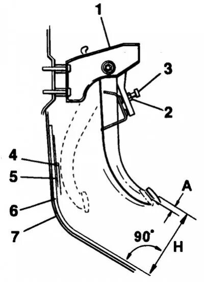
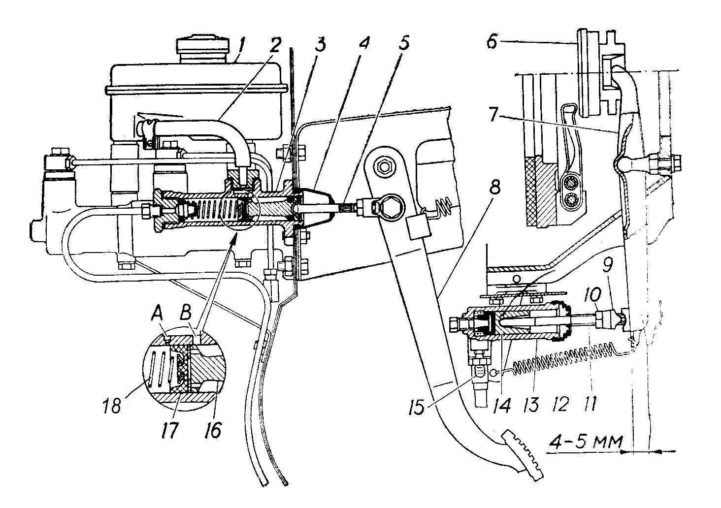
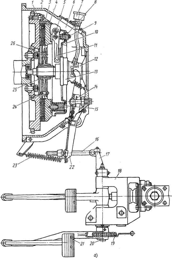
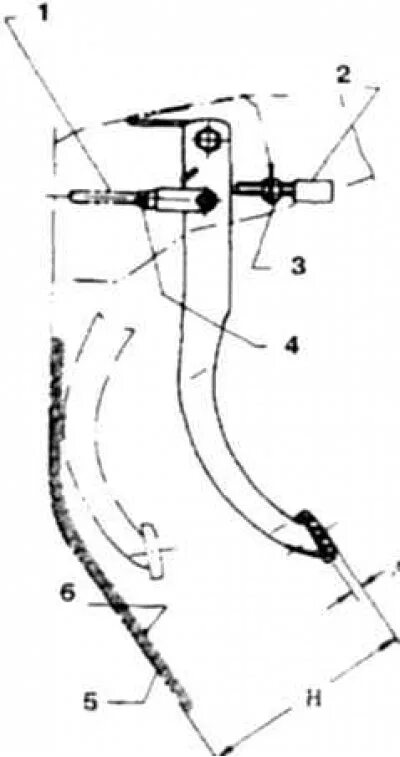
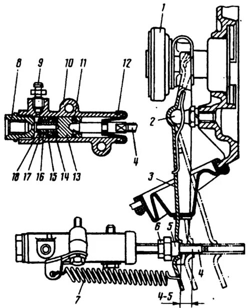
Устройство и регулировка сцепления