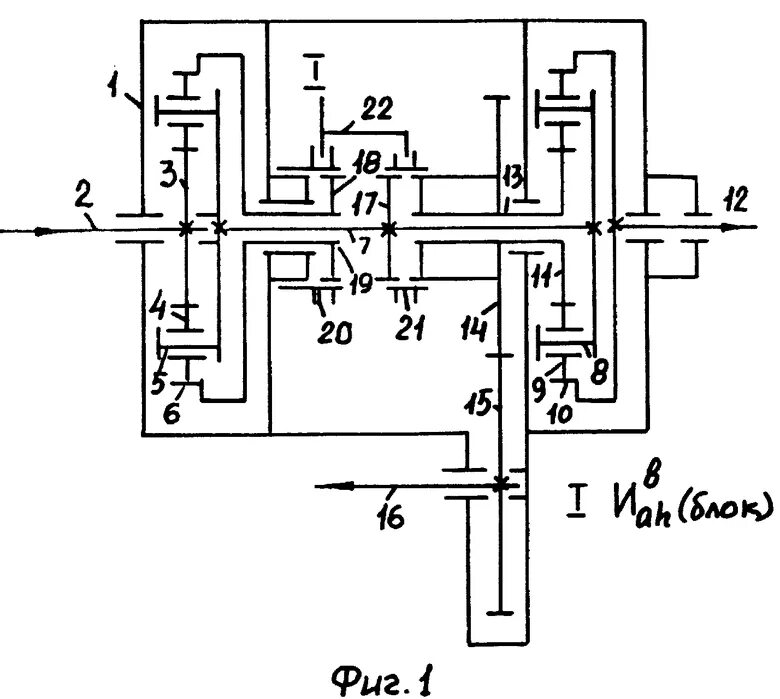
Устройство и принцип работы раздаточных коробок