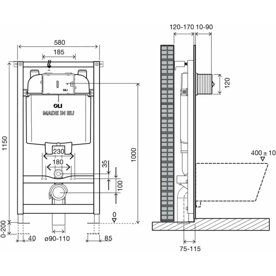
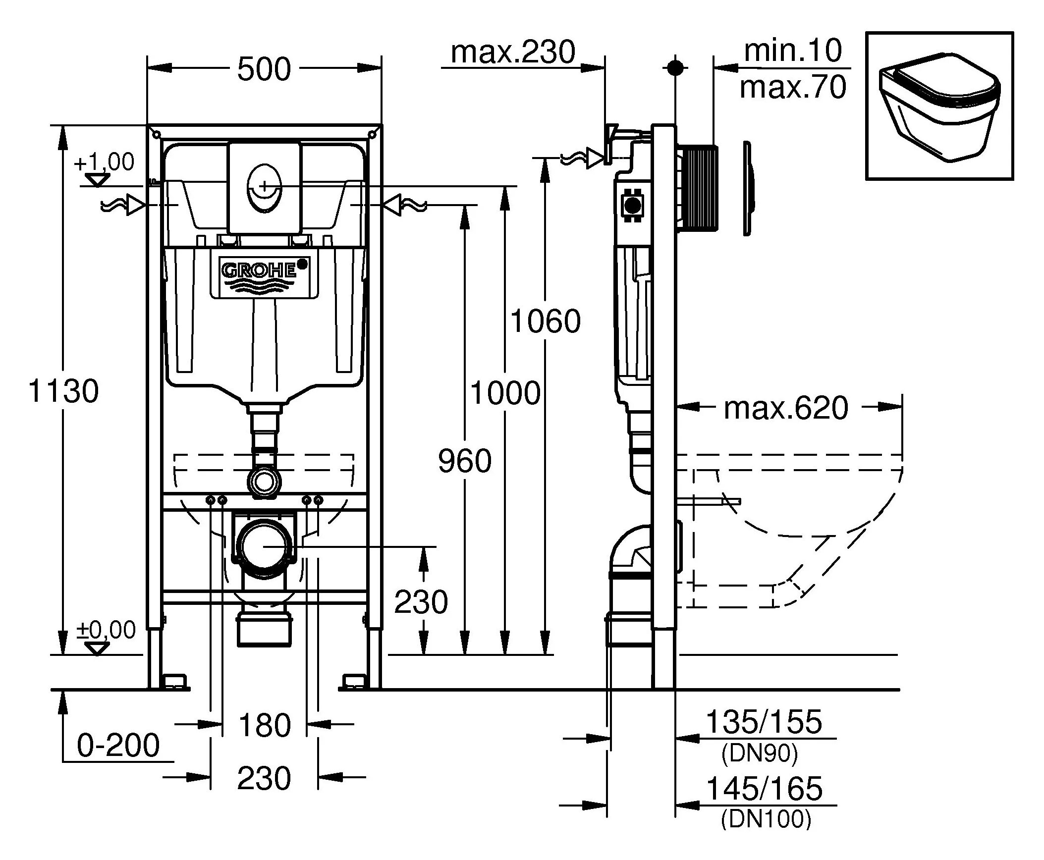
Установка инсталляции унитаза размеры от стены