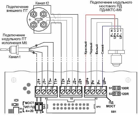
Установка и подключение