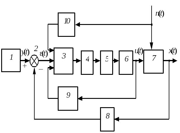
Уровни систем автоматического управления