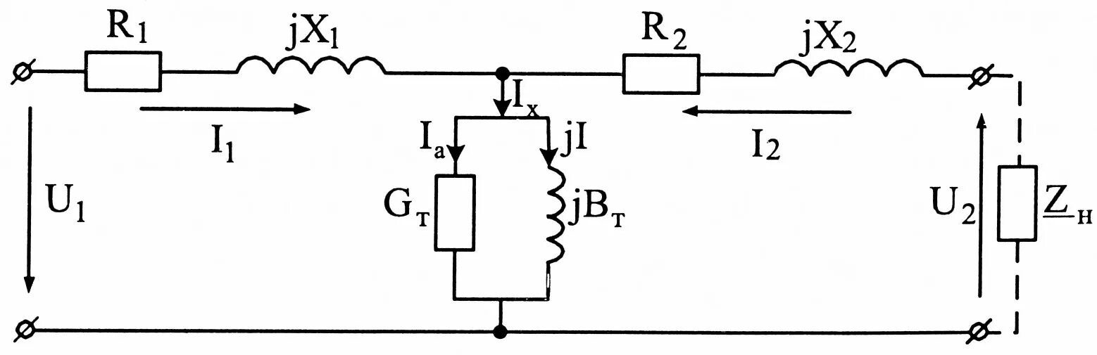
Упрощенная схема трансформатора