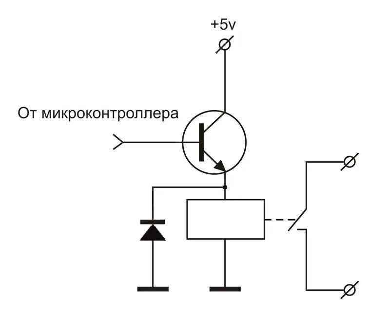
Управляющее напряжение транзистора