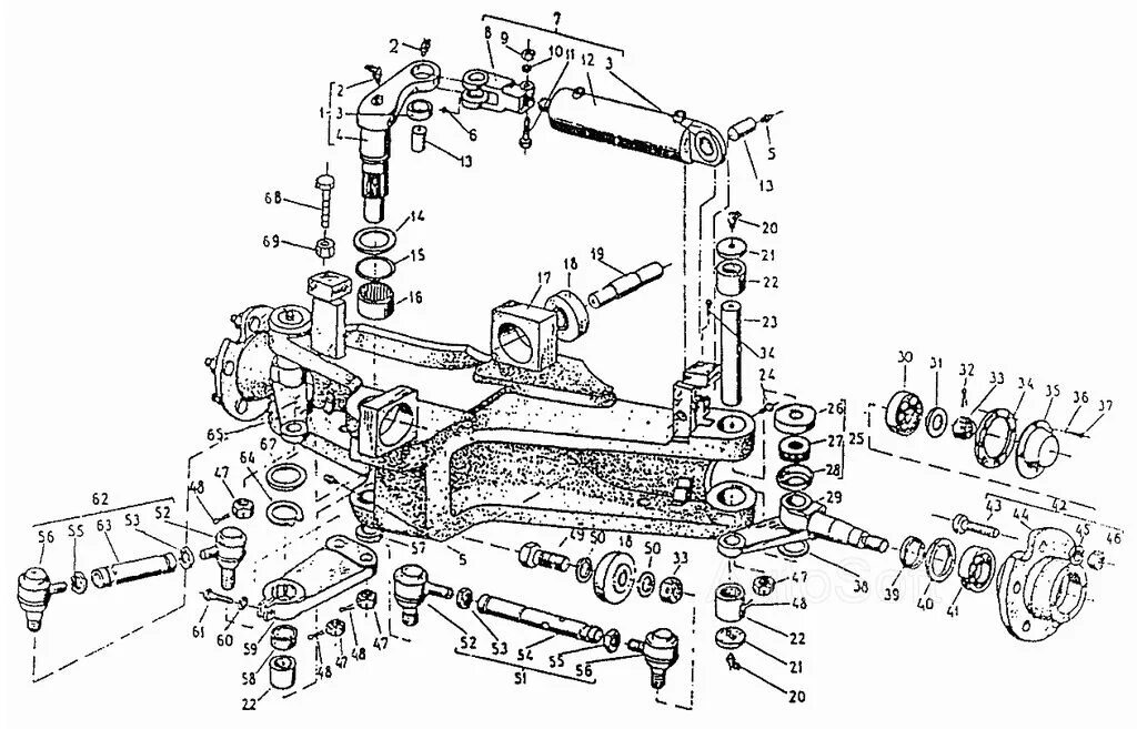
Управляемый мост