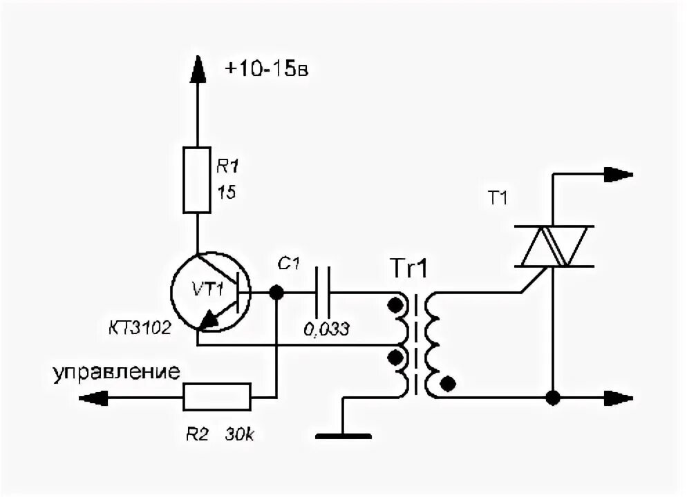
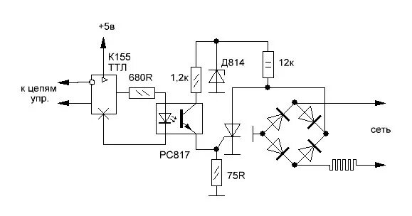
Управления через тиристор