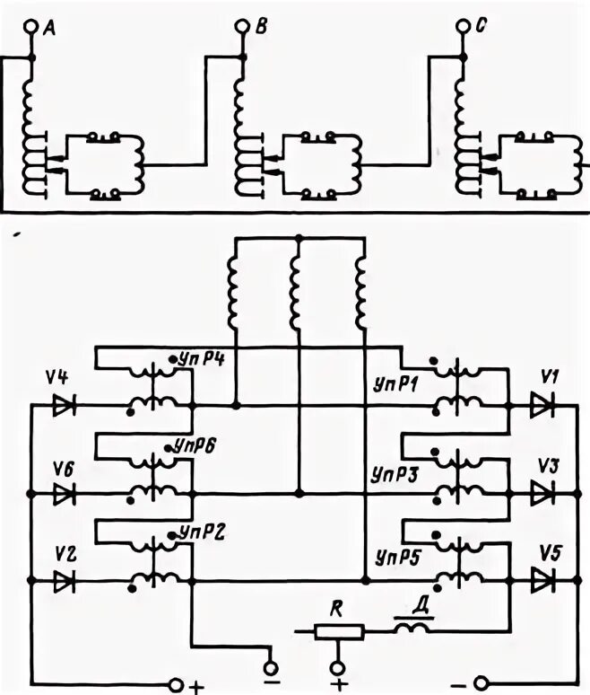
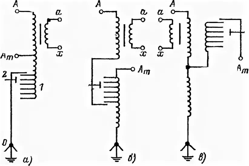
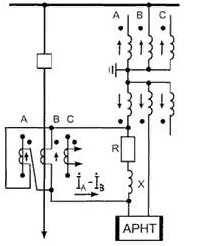
Управление рпн