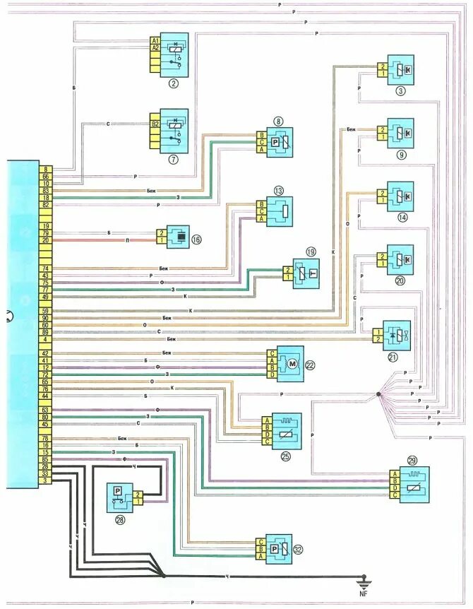
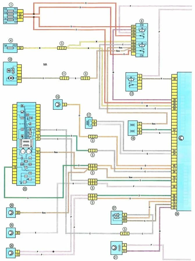
Управление рено логан 1