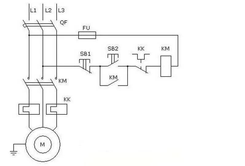
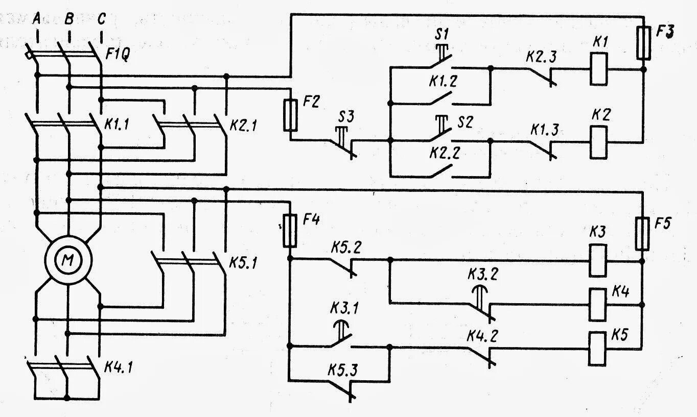
Управление приводом электродвигателя