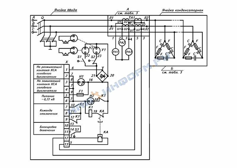
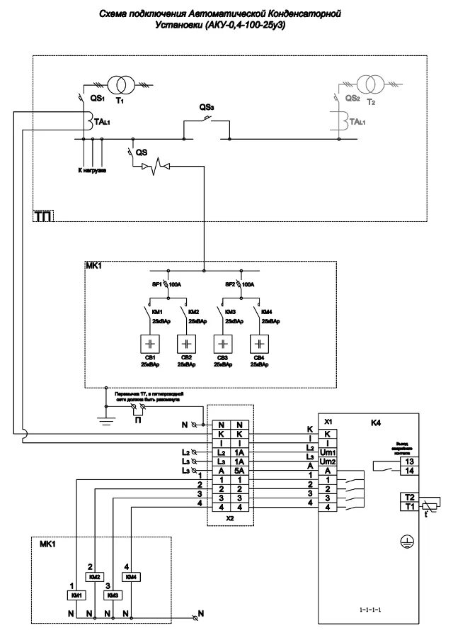
Управление конденсаторными установками