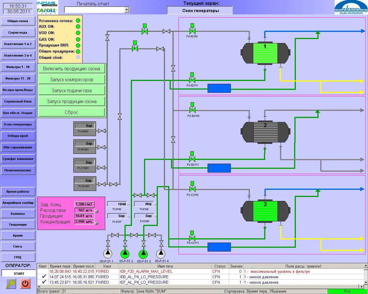
Управление генерации