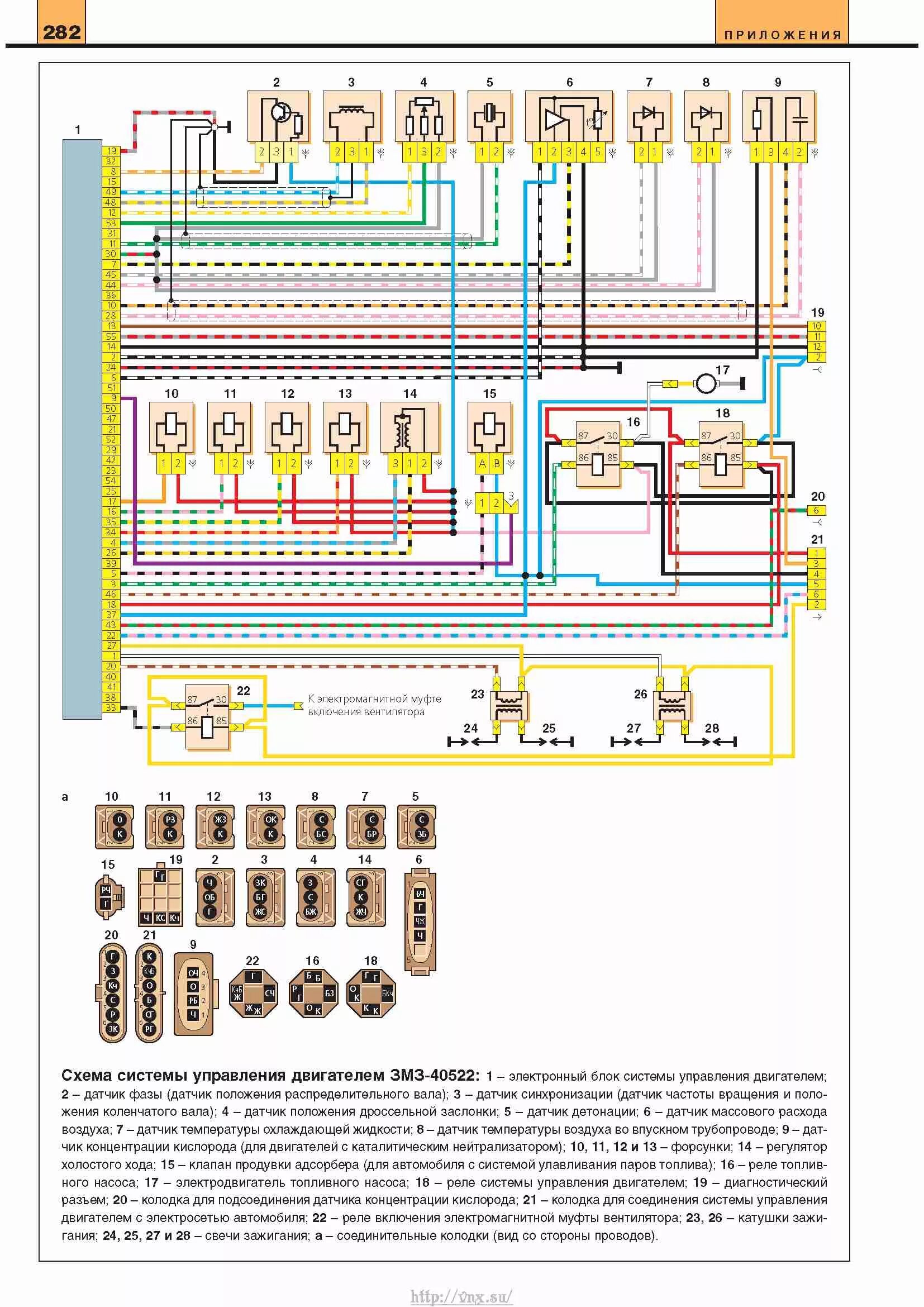
Управление двигателем змз 406 инжектор