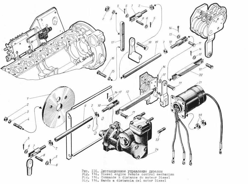
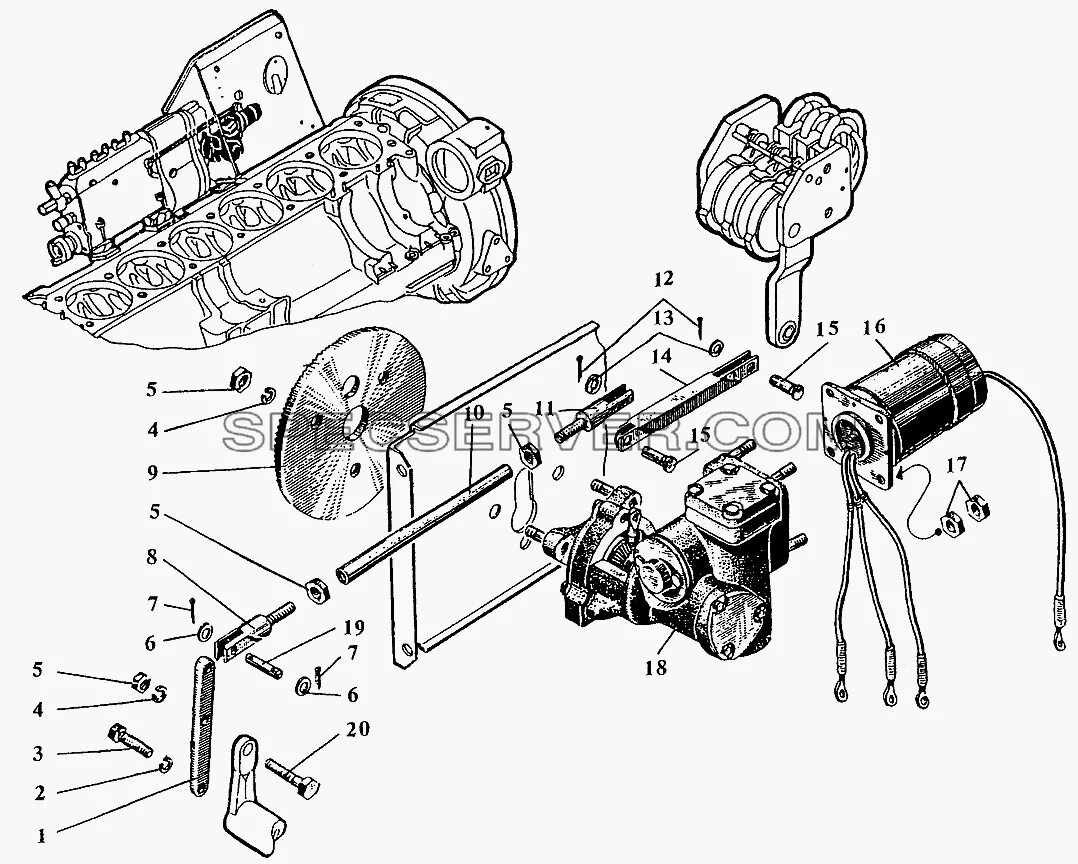
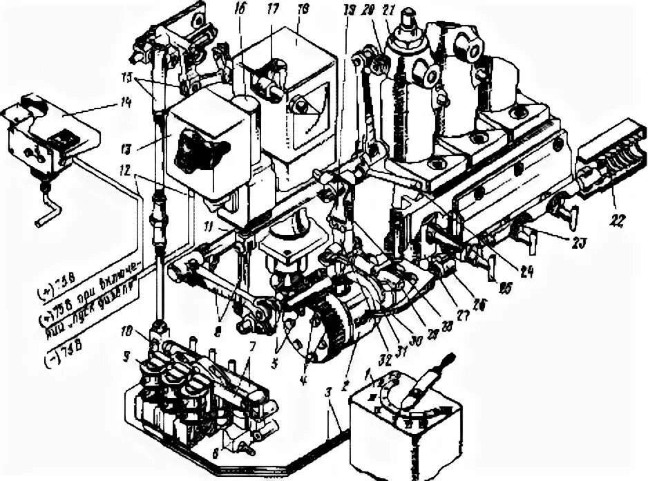
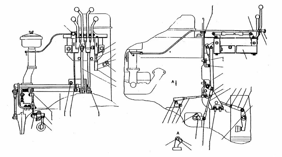
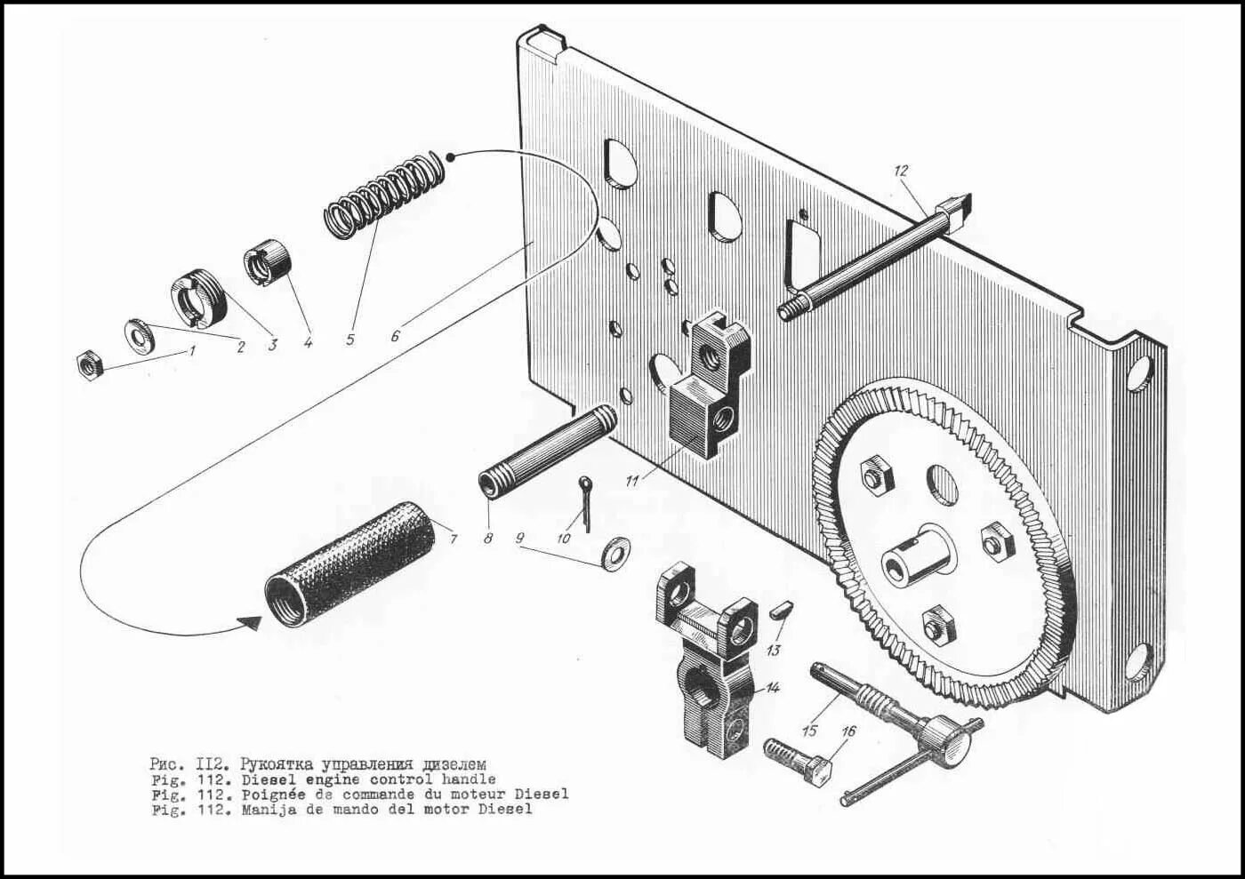
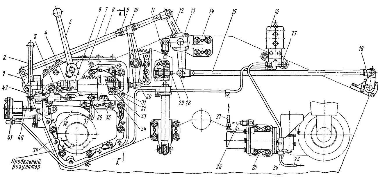
Управление дизелем