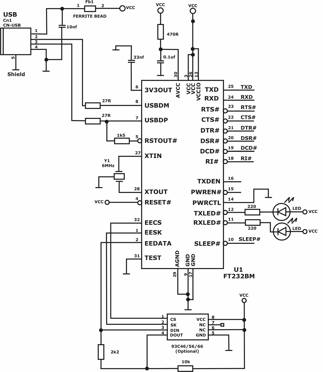
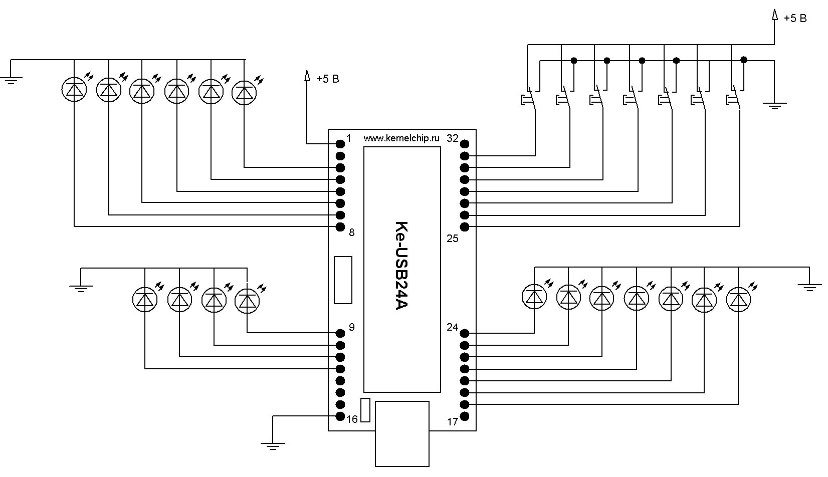
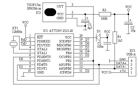
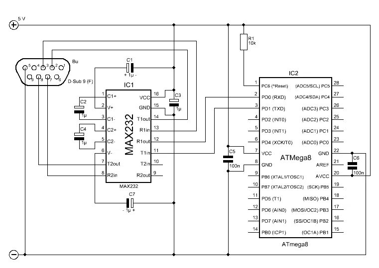
Управление через usb