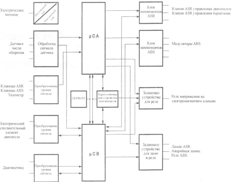
Управление аср