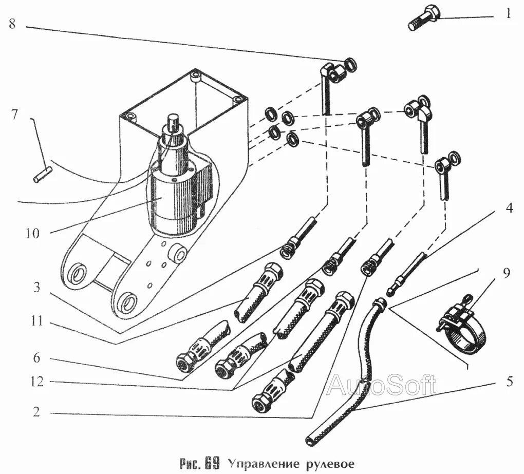
Управление 180