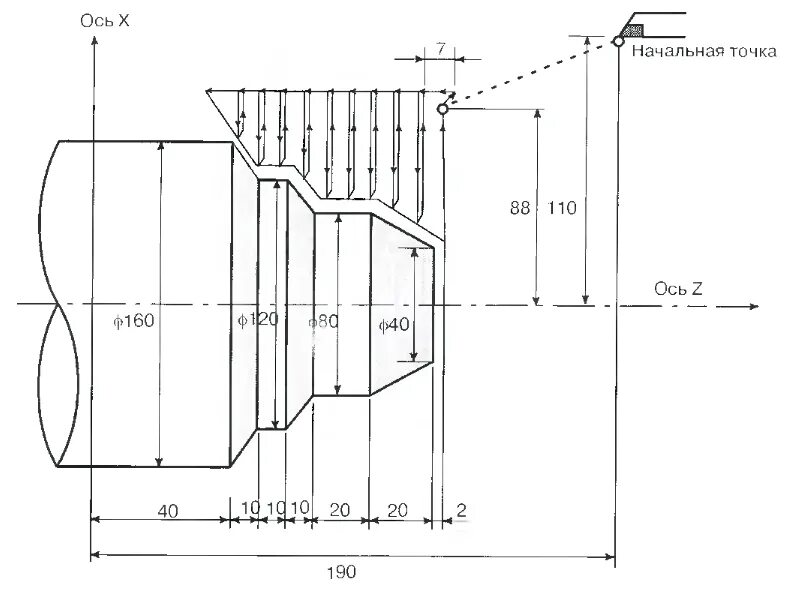
Turning cycle