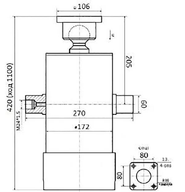
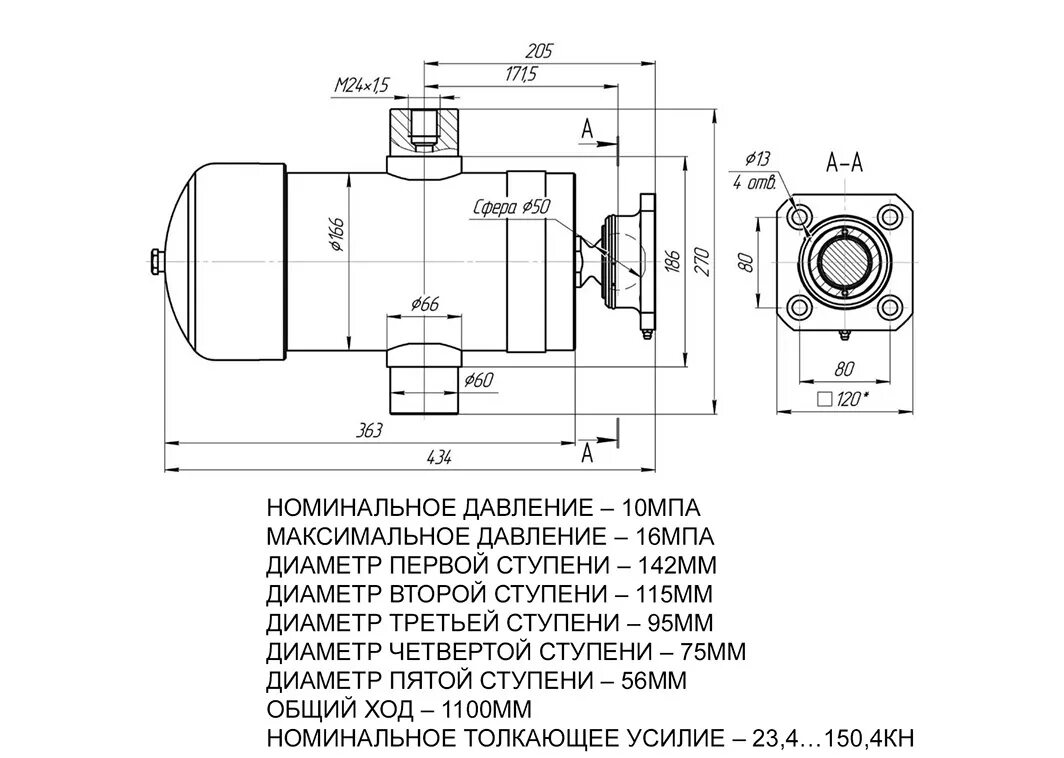
Цилиндр подъема зил