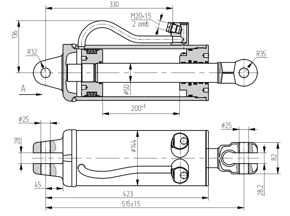
Цилиндр на мтз задний