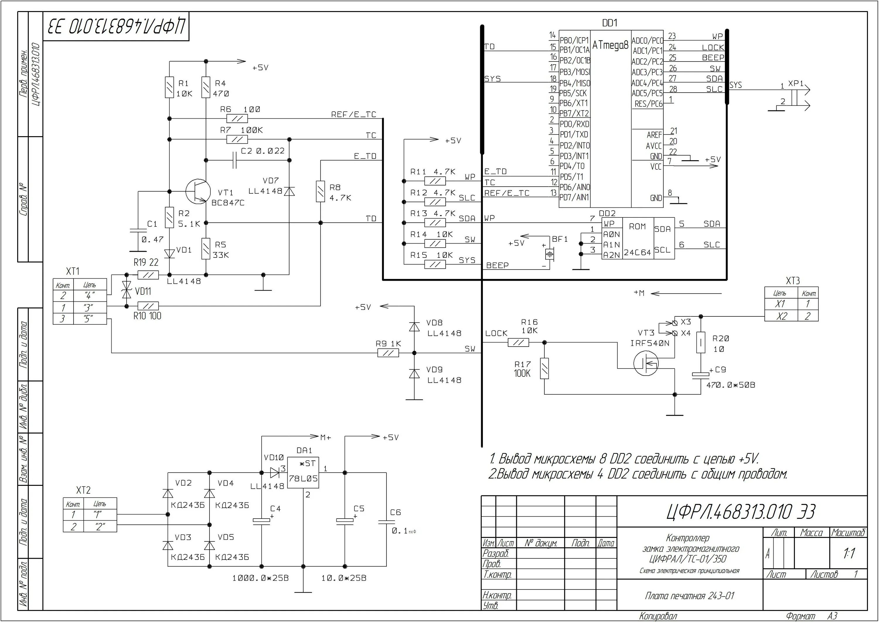
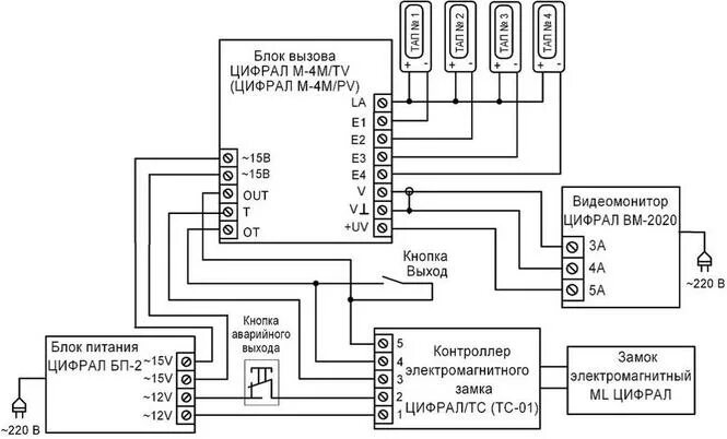
Цифрал тс