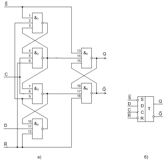
Триггер схема на логических элементах