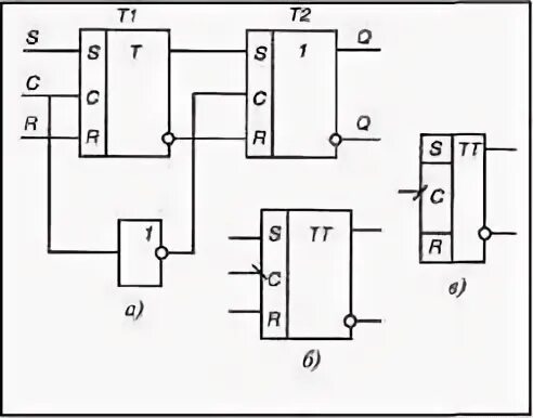
Триггер график выхода серий