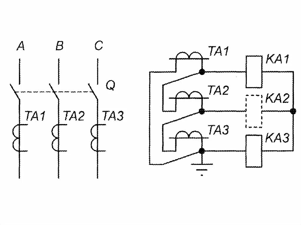
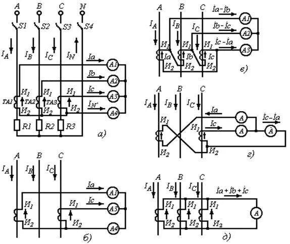
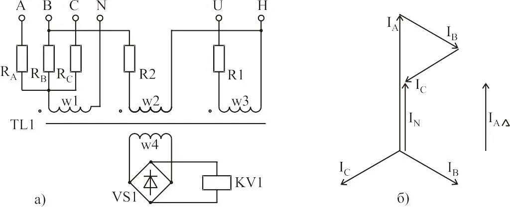
Треугольник трансформаторов тока