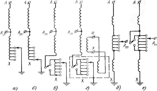
Трехфазный трансформатор напряжения 110 кв