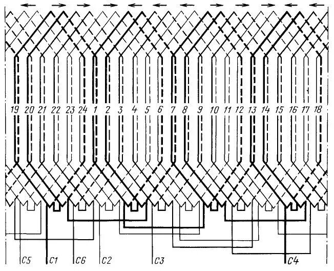
Трехфазная обмотка статора асинхронного двигателя