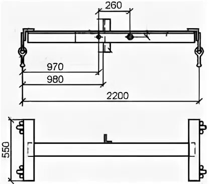
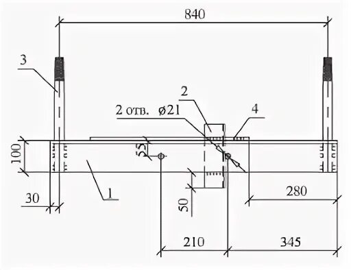
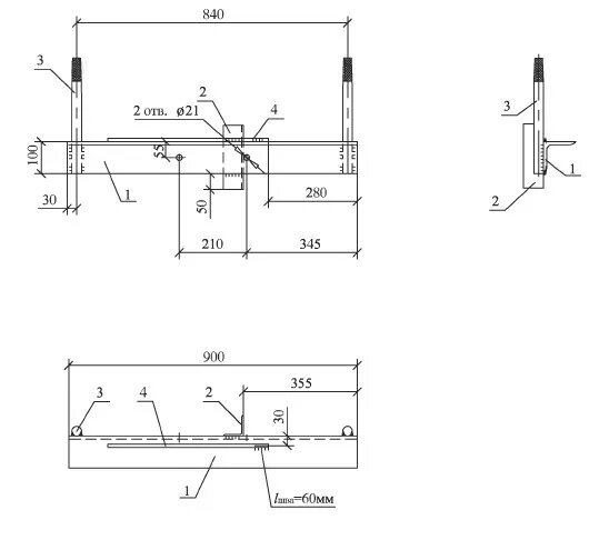
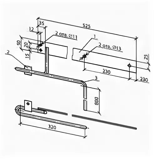
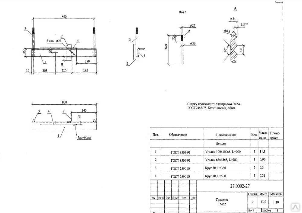
Траверса тм 74