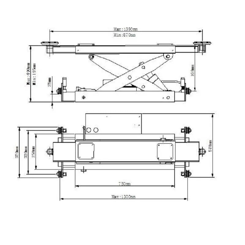
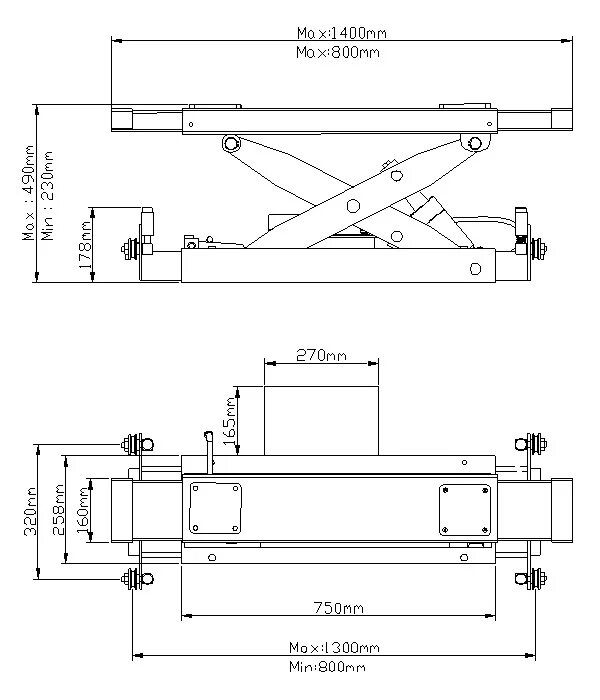
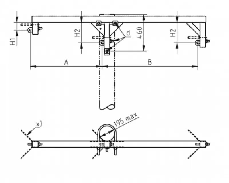
Траверс развал