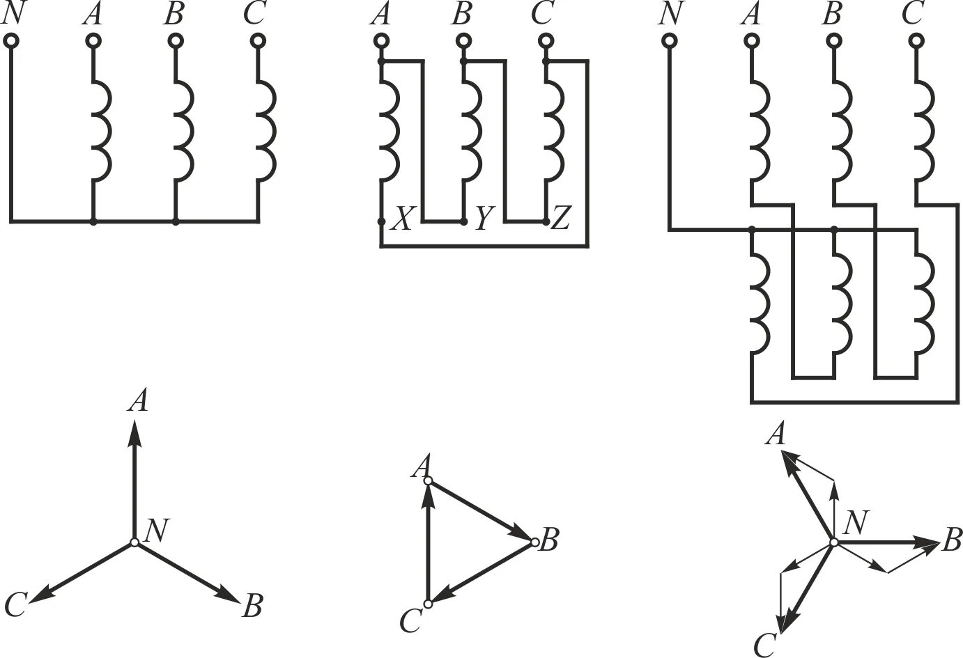
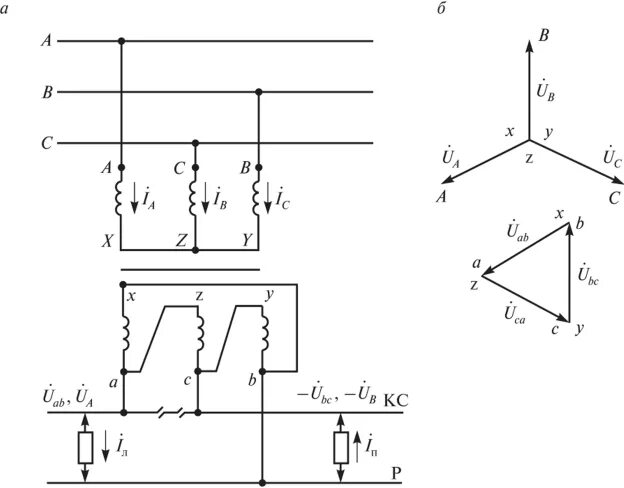
Трансформатор звезда треугольник напряжение