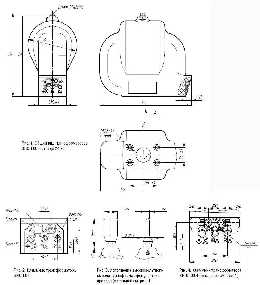
Трансформатор знол 06