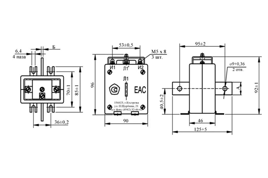
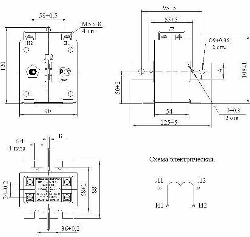
Трансформатор тока т 0