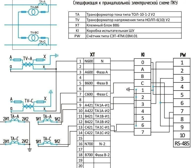
Трансформатор тока релейной защиты