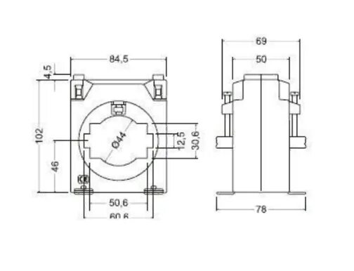
Трансформатор тока 0.5 s