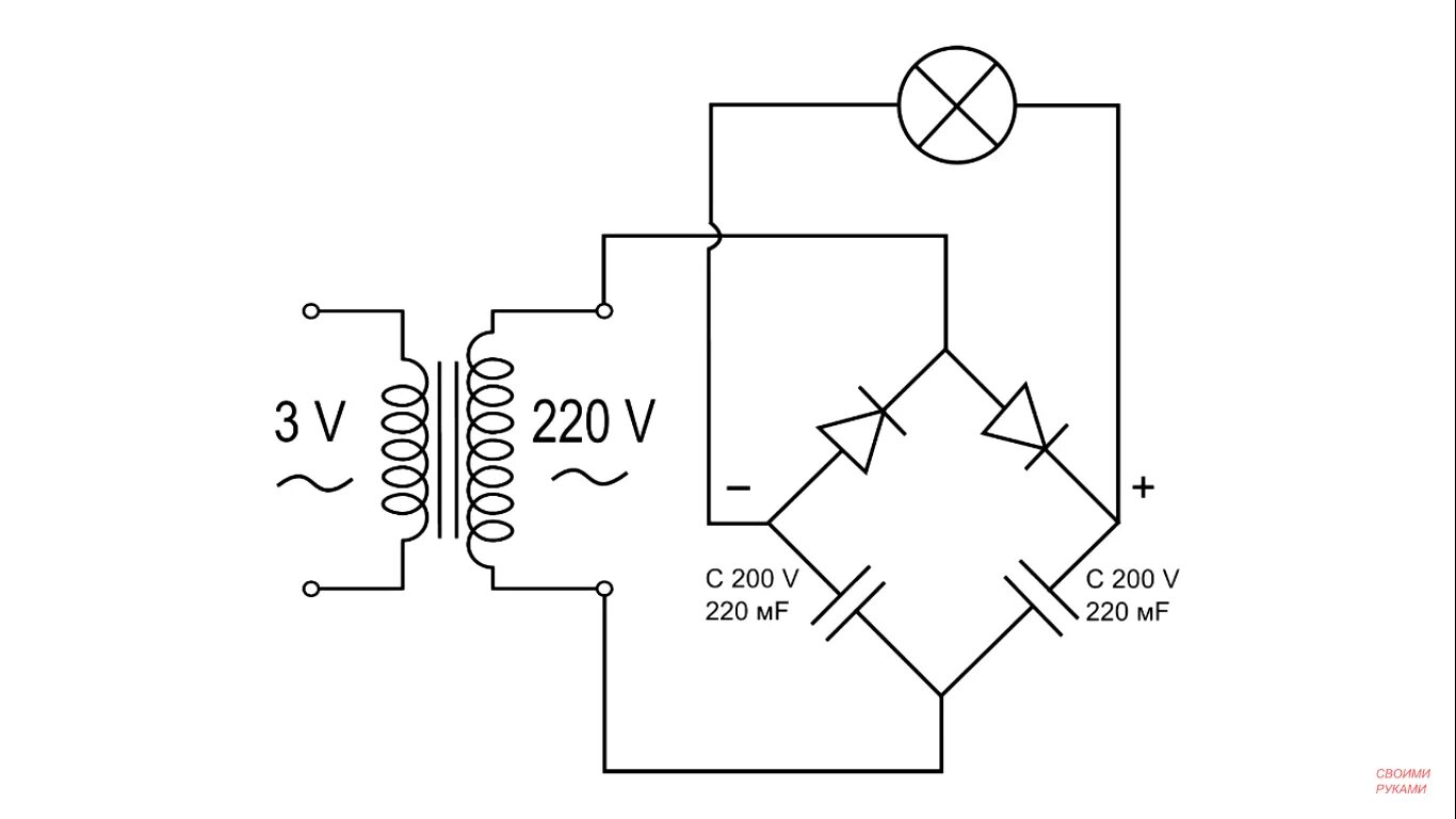
Трансформатор повышает напряжение с 220