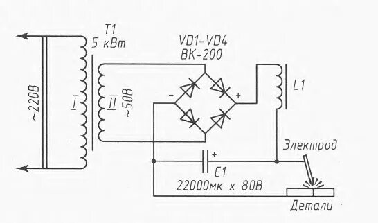
Трансформатор постоянного переменного постоянного тока