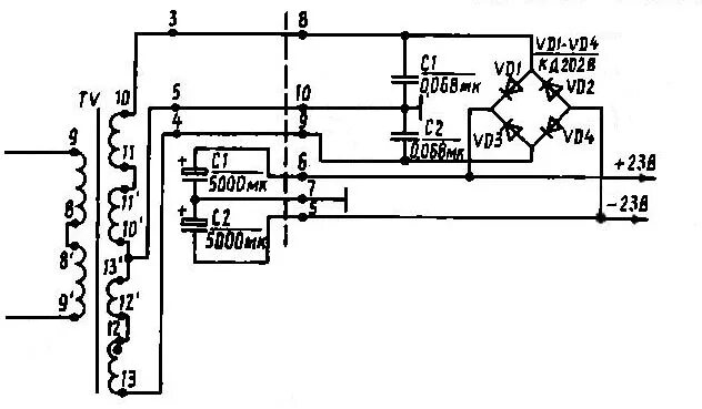
Трансформатор напряжение 120