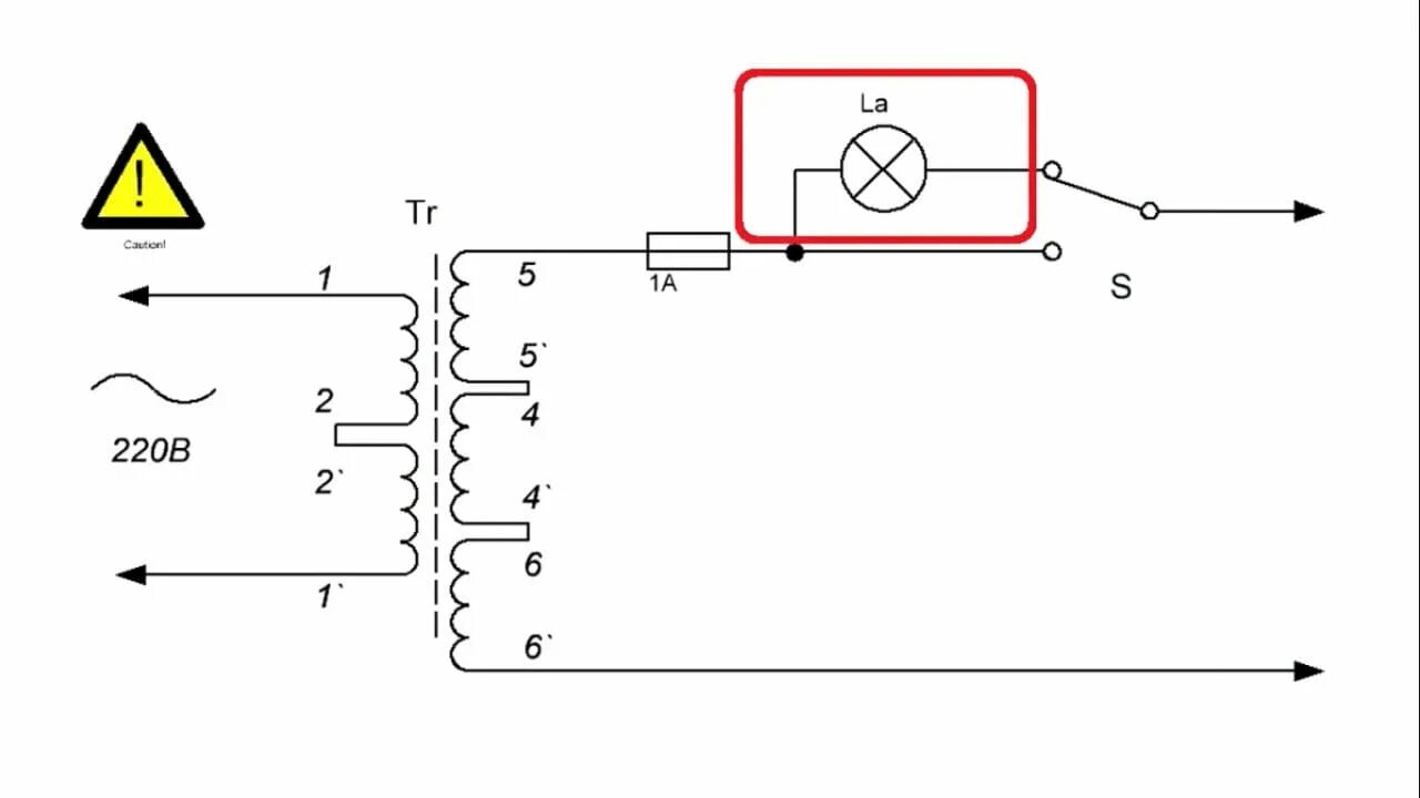
Трансформатор гальванической развязки