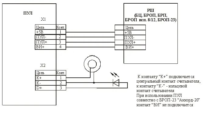
Touch memory подключение