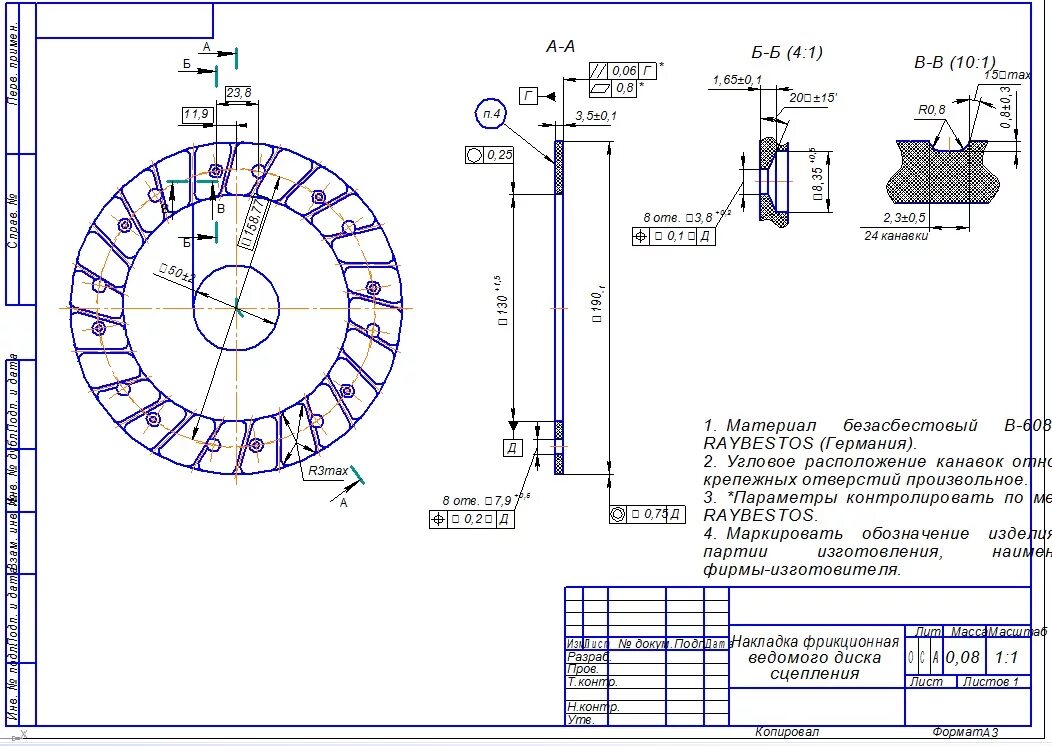
Толщина ведомого диска сцепления