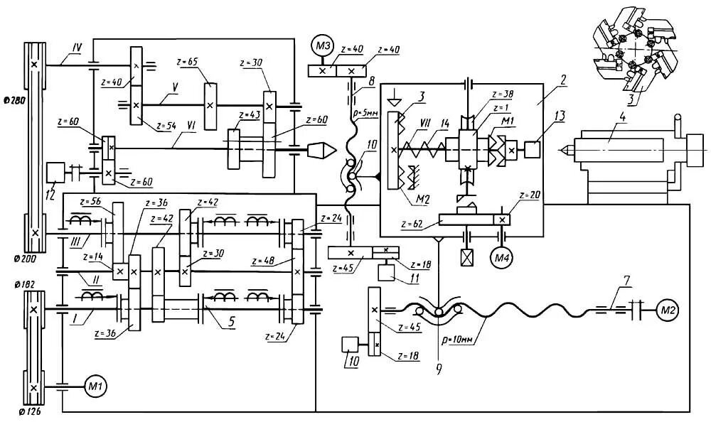
Токарный станок 16к20ф3