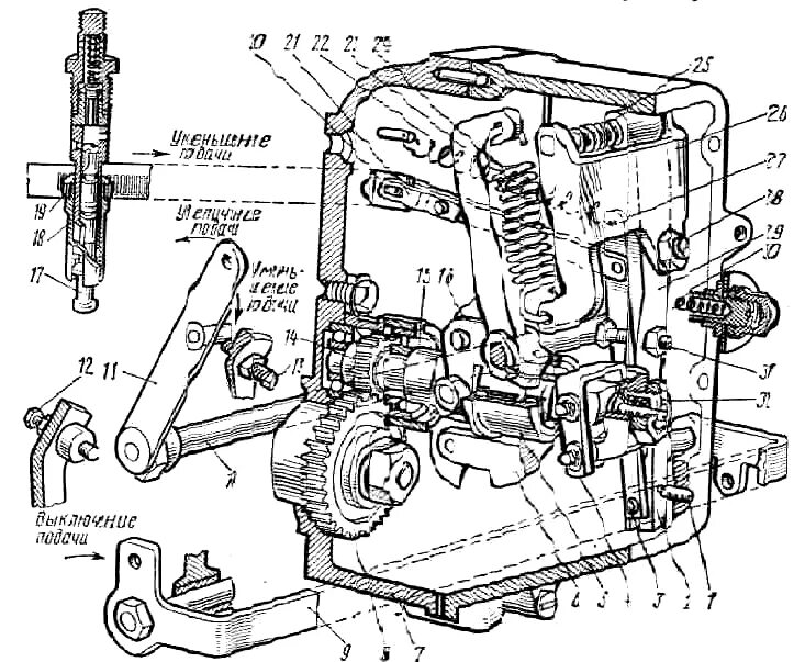
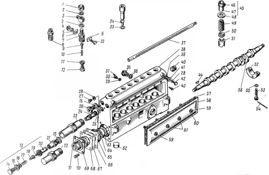
Тнвд 238 как добавить топлива