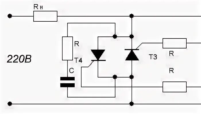
Тиристоры параллельно