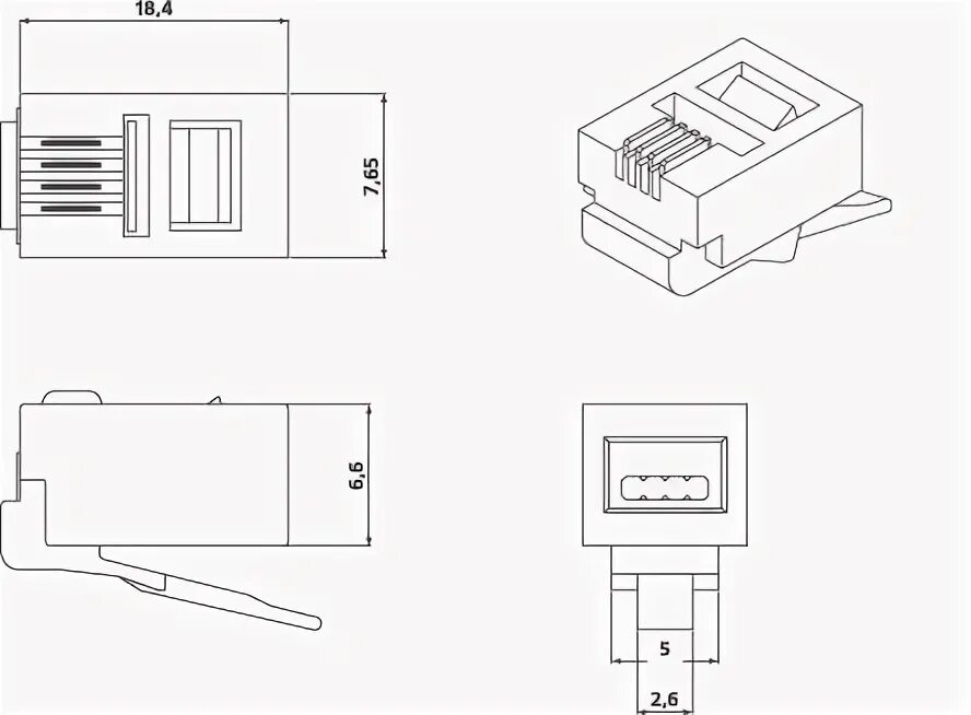
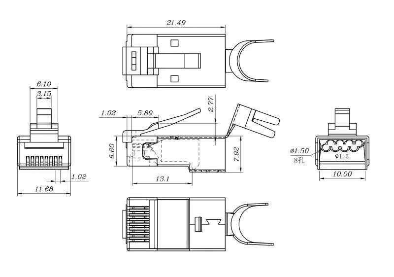
Типы разъемов rj 45