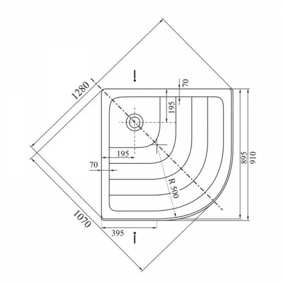
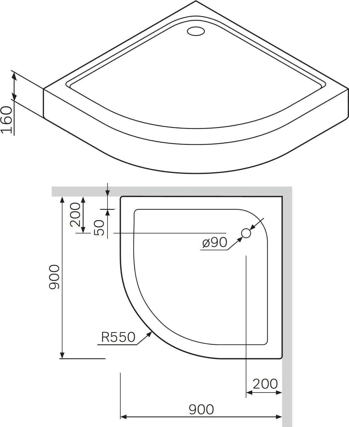
Типы поддонов душевых