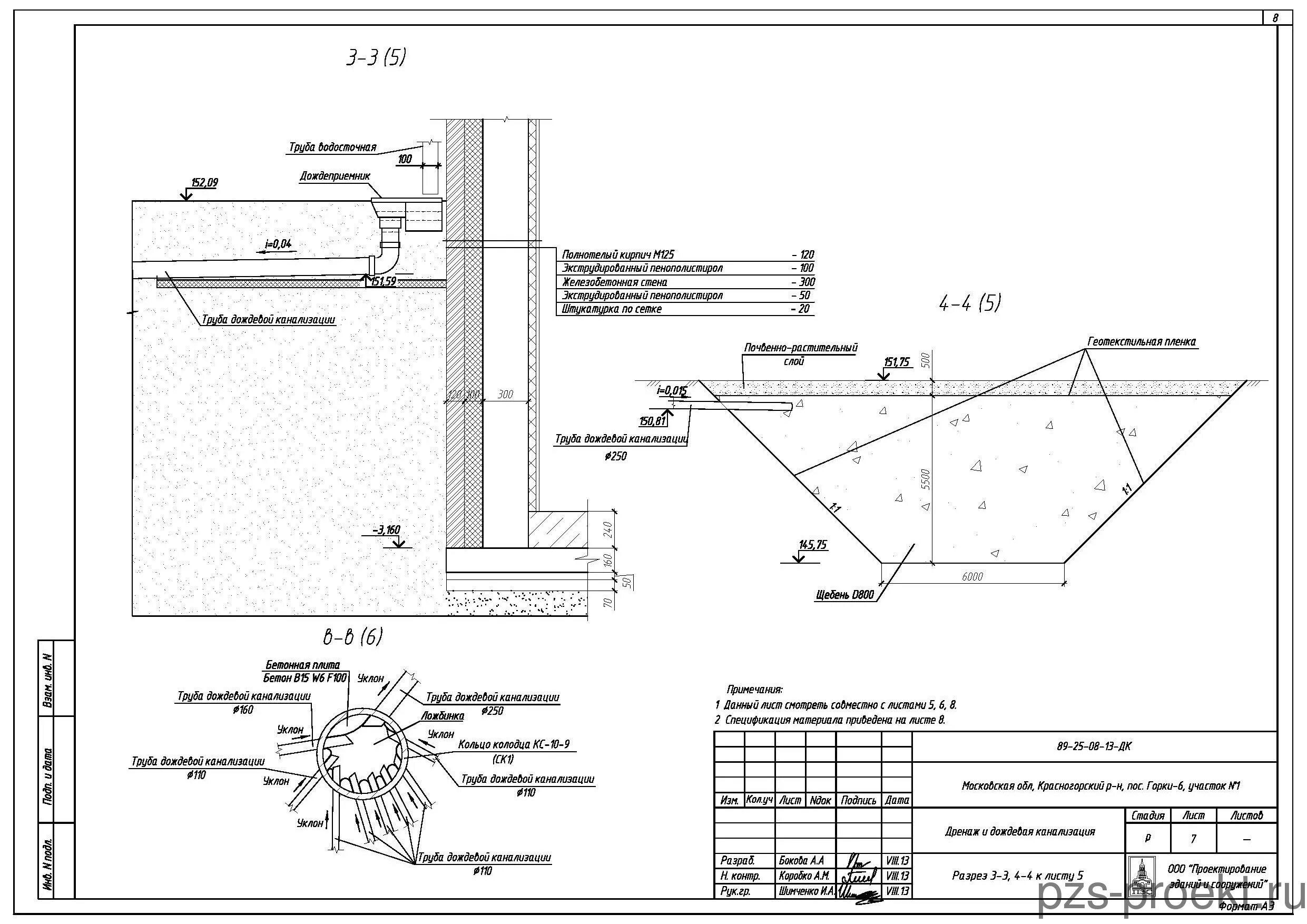
Типовой дренаж