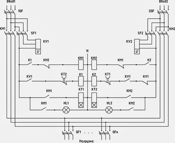
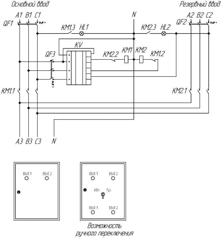
Типовая схема авр