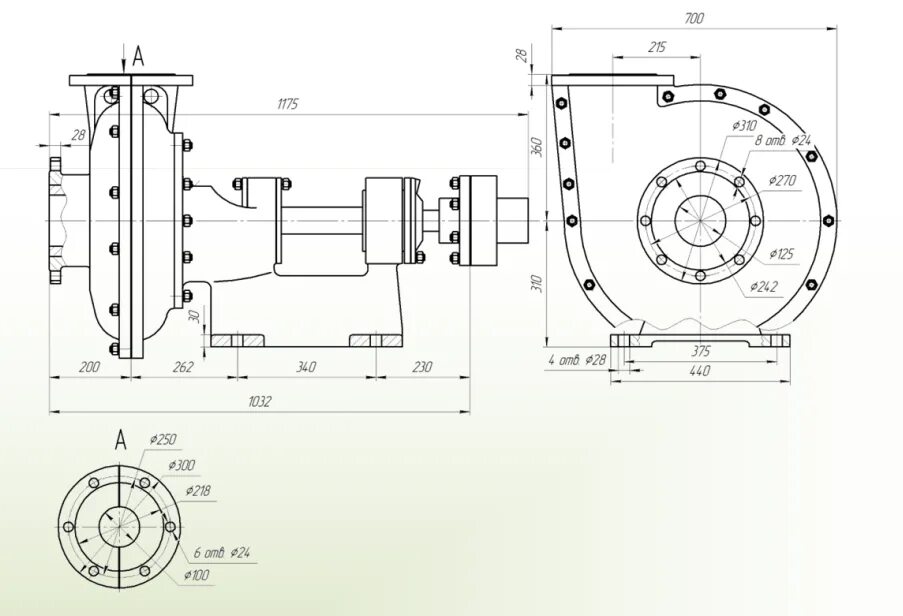
Тип гр 8